Gli essiccatori ad adsorbimento DryXtreme offrono punti di rugiada da – 40 °C a -70 °C, e consentono un funzionamento preciso ed efficiente in numerose condizioni critiche.
Essiccatori ad adsorbimento NA DryXtreme
Gli essiccatori ad adsorbimento NA DryXtreme offrono punti di rugiada da – 40 °C a -70 °C, e consentono un funzionamento preciso ed efficiente in numerose applicazioni critiche quali l’industria chimico-farmaceutica, alimentare, elettronica, automotive o in installazioni all’esterno a bassa temperatura. Tutto questo con un package compatto e tecnologicamente avanzato.
Gli essiccatori NA sono costituiti da due serbatoi in alluminio estruso verniciato, ognuno dei quali equipaggiato con una cartuccia contenente il materiale adsorbente (setacci molecolari). L’aria compressa viene essiccata alternativamente dalle 2 cartucce, che vengono rigenerate mediante una minima parte dell’aria già trattata, quando il materiale adsorbente diviene saturo di umidità.
BENEFICI
Adatto per installazioni worldwide: le unità possono funzionare con qualunque tensione tra 100-240 VAC e tra 12 ÷ 24 Vcc.
Conformità a tutti i principali standard internazionali.
Pannello frontale rimovibile per un facile l’accesso per la manutenzione.
Controllo elettronico avanzato con possibilità di connessione a sistemi di gestione dell’energia.
Cartucce materiale adsorbente con post-filtro integrato, maniglia incorporata e con involucro trasparente per il controllo visivo dello stato del materiale adsorbente.
Valvola di scarico condensa elettronica standard, gestita e controllata dalla CPU.
Design estremamente compatto.
Adatto anche per il montaggio a parete ed in orizzontale.
DryXtreme – il partner perfetto per voi
Applicazioni DryXtreme
Sistemi di imballaggio, impianti d’imbottigliamento, centrali elettriche, impianti di verniciatura a spruzzo, studi dentistici, laboratori, strumentazione & attrezzature di misurazione, nastri trasportatori, macchine CNC, settore farmaceutico, automobilistico, sistemi laser, sistemi antincendio.
Minime perdite di aria di rigenerazione
Il dimensionamento generoso dell’essiccatore riduce le perdite di aria di rigenerazione, l’orifizio di spurgo è intercambiabile permettendo la personalizzazione secondo le specifiche condizioni operative, evitando inutili sprechi di energia.
Riduzione delle perdite scaricatore filtro
Lo scaricatore di condensa elettronico è integrato e permette al pre-filtro di essere sincronizzato con il funzionamento dell’essiccatore, minimizzando le perdite di aria.
Gestione da remoto & software energy saving
Una funzione standard interna del microprocessore permette l’azione dell’essiccatore direttamente sincronizzato con il funzionamento del compressore, offrendo un notevole risparmio energetico, specialmente in condizioni di carico variabile.
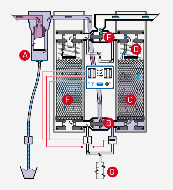
Come funziona DryXtreme
L’aria attraversa dapprima un pre-filtro (A – opzionale) dopodichè attraversa la valvola di ingresso (B). Qui viene diretta verso una delle due colonne, secondo quanto stabilito dal controllo. Attraversando la colonna (C) l’aria viene essiccata fino al punto di rugiada richiesto, grazie all’azione del materiale adsorbente composto da setacci molecolari ad alto rendimento. Attraversa infine un filtro antipolvere da 1 micron integrato (D) ed esce dall’essiccatore attraverso la valvola di scarico (E). Contemporaneamente nel serbatoio (F) avvengono le fasi di depressurizzazione, rigenerazione e ripressurizzazione. La rigenerazione è realizzata mediante una piccola quantità d’aria secca (spurgo), che elimina l’umidità dallo strato adsorbente saturo, per venire poi scaricata in atmosfera dal silenziatore (G). Quando la colonna C è satura, il flusso d’aria passa alla colonna Fe il processo viene invertito.
(*) I dati si riferiscono alle seguenti condizioni: FAD aria 20 °C/1 barA, pressione 7 bar(g), temperatura di ingresso aria 35 °C, punto di rugiada a pressione -40 °C, conformità agli standard ISO 8573.1.
Condizioni di esercizio limite: pressione di esercizio 4-16 barg; temperatura ingresso aria 1,5÷50 °C; temperatura ambiente min. +5 °C. Alimentazione: 100-240V AC 50-60Hz; 12-24V DC.
E’ consigliato garantire sempre un’adeguata pre-filtrazione a monte dell’essiccatore (filtri MTA grado S preferibilmente preceduti da grado P); a seconda dell’applicazione può essere necessario installare un filtro anche a valle dell’essiccatore (filtri MTA grado M o S). Si consiglia di evitare che eventuali gocce di condensa penetrino nell’essiccatore, installando a monte un separatore o un essiccatore a refrigerazione. Per assicurare il corretto funzionamento dell’essiccatore è necessario che la portata d’aria non scenda mai al di sotto del 30% della portata nominale.
I seguenti coefficienti correttivi sono indicativi e permettono il calcolo della portata di aria massima trattabile dall’essiccatore in condizioni di funzionamento differenti da quelle nominali (riportate nella tabella dati in alto); per determinare la massima portata d’aria procedere come segue:
• Determinare i coefficienti correttivi, utilizzando le tabelle in basso, in accordo con le condizioni di funzionamento richieste dall’utente (K1 minima pressione di esercizio, K2 massima temperatura ingresso aria, K3 punto di rugiada richiesto).
• Calcolare la massima portata d’aria trattabile dall’essiccatore nelle condizioni richieste dall’utente utilizzando la seguente formula: Massima portata aria = (portata aria in condizioni nominali) x (K1 * K2 * K3).
• Se la massima portata d’aria calcolata è inferiore a quella richiesta dall’utente, selezionare un essiccatore di taglia superiore e ripetere la procedura di calcolo.


-Struttura in alluminio estruso verniciato
-Materiale adsorbente a base di setacci molecolari
-Controllo a microprocessore
-Alimentazioni elettriche standard: 100-240V 50/60Hz VAC, 12-24V Vcc
-Silenziatore standard
-Pressione esercizio min/max = 4/16 barg
-Massima temperatura ingresso aria = +50°C
- Kit per montaggio a parete (NA012-107)
- Kit per montaggio a pavimento.
- Software di gestione da remoto per collegamento a PC, con Sistema di Gestione Energetica integrata.
- Pacchetti per aria medicale e respirabile.
- Kit pre-filtri.